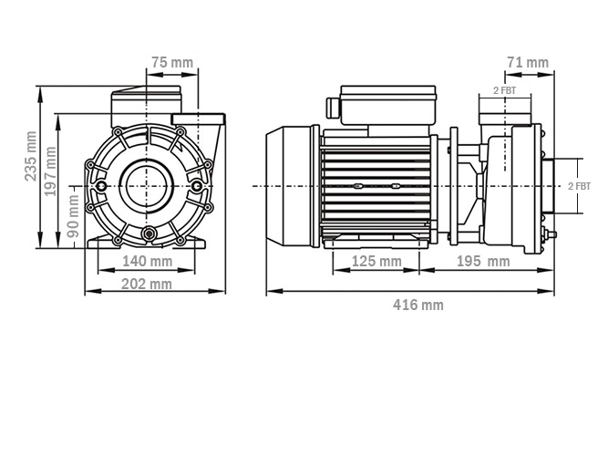
PL W250 Jacuzzi Pump
Power rate : 1,85 Kw / 2,5 HP
features:
- Large flow volute design with 2" inlet & outlet
- Single phase motor installation TI thermal protector
- Motor adopts high temperature resistant bearing that be long life, reliable and durable
- Liquid absolutely separate with shaft to keep more safe and reliable
- Insulation class F
- IPX5 standard
- CD, TUV, SAA Certificate
- 220 Volt/50Hz
- Max Head : 16 m
- Max Flow Rate : 670 l/min
- Power : 1,85 kW
- Current Ampere : 9.0A
- 2" pipe size
- Medium temperature 5-50°C
- Environmental temp < 40°C
- Max. pressure 0,3 mPa
specification:





